Электронная библиотека

FineXpert.ru - большая библиотека статей и видео по тематике управления бизнес-процессами, использования AI для повышения эффективности вашего бизнеса. 

"Видео"
137
"Статей"
218
"Просмотров"
2234549
"Книг"
67

Деловая игра на основе имитации процесса в Business Studio

Версия для печати
Владимир Репин

Владимир Репин, к.т.н, доцент, процессный архитектор и методолог, автор 10 книг по бизнес-процессам, член ABPMP Russian Chapter

 

В статье Владимира Репина описана деловая игра по оптимизации бизнес-процесса, основанная на использовании имитационной модели, созданной в среде Business Studio. Цели игры – анализ процесса, поиск узких мест и «муды» (потерь), разработка предложений по оптимизации процесса. Рабочие группы анализируют процесс и предлагают ряд мероприятий по его оптимизации. Выполняется экспертная оценка предложений, отбираются практические реализуемые. Затем процессы перепроектируются в Business Studio с учетом обоснованных изменений. Проводится имитационное моделирование. Различные варианты моделей сравниваются между собой на основе показателей длительности выполнения и стоимости результата процесса. Игра может использоваться при проведении базового курса обучения процессному управлению в компаниях, в программах MBA и проч.

26.04.2018
0
2199

Введение

Цели деловой игры, предлагаемой вниманию читателя, следующие:

  1. получение навыков анализа процесса (технология выполнения, время выполнения, узкие места, потери) при помощи его графической схемы;
  2. наглядная демонстрация понятий «экземпляр» процесса, «нагрузка» на процесс, вариабельность процесса;
  3. наглядная демонстрация влияния технологии выполнения процесса на длительность его выполнения и стоимость полученного результата;
  4. понимание того факта, что уровень развития корпоративной культуры (и еще тип организации, степень ее процессной зрелости) ограничивают возможности реорганизации процессов с целью повышения их эффективности.

Игра может проводиться в рамках программы обучения методам процессного управления сотрудников компании наряду с другими практическими заданиями (например, игра «За и против регламентации бизнес-процессов», задание по определению границ процесса и т.п.).

Сценарий игры 1. Организация

На группу участников (4-8 человек) распечатывается цветная схема процесса в формате А2. Дополнительно распечатывается форма перечня предложений по оптимизации (2 листа на каждую группу, всего 6 листов). Все участники делятся на 3 группы:

  1. Команда «А» (выбирает себе название).
  2. Команда «Б» (выбирает себе название).
  3. Команда экспертов (желательно включить в нее несколько топ-менеджеров). Объявляются цели и правила игры. Цель игры – достижение лучших показателей за счет оптимизации бизнес-процесса.

Используется два показателя:

  1. длительность выполнения процесса;
  2. стоимость результата процесса (в данном примере – это коммерческое предложение).

2. Демонстрация модели

Проводится демонстрация имитационной модели бизнес-процесса (с анимацией хода процесса в Business Studio). Обсуждаются результаты имитации. Обсуждаются целевые показатели процесса:

  1. длительность выполнения;
  2. стоимость результата процесса;
  3. качество (количество ошибок и т.п.).

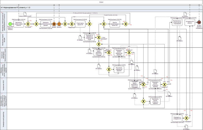
На рис. 1 представлена исходная схема процесса «Формирование КП клиенту». КП – коммерческое предложение. Речь идет о торгово-производственной компании B2B, которая выпускает стандартный ассортимент, но может по требованию заказчиков вносить конструктивные изменения в модели изделий, использовать другие материалы, цвета и т.п.

В процессе участвуют несколько сотрудников:

  • Менеджер, ответственный за формирование КП клиенту (2 шт.);
  • Начальник отдела продаж (1 шт.);
  • Начальник Инженерно-технического отдела (1 шт.);
  • Инженер Инженерно-технического отдела (1 шт.);
  • Начальник ФЭО (1 шт.);
  • Экономист ФЭО, ответственный за расчет стоимости изделия для КП (1 шт.);
  • Коммерческий директор (1 шт.).

Рис. 1. Исходная схема процесса «Формирование КП клиенту».

Каждая операция процесса имеет определенную длительность. Некоторые операции начинаются не сразу, а с задержкой. Это сделано для того, чтобы учесть факт загрузки руководителей в других процессах (которые не используются при имитации), что ведет к невозможности сразу приступить к выполнению операции.

Время выполнения показано над операцией (Раб.Константа…). Задержка перед выполнением (если она есть) – под операцией процесса (Ож.Константа).

Процесс выполняется руководителями и специалистами.

Практически после каждой операции процесса указаны шлюзы типа «Исключающее ИЛИ». Процесс ветвится – потоки работы разделяются с учетом вероятности. Например, после операции «Проверить расчет параметров изделия» в 20% случаев нужно переделать расчет, т.к. он содержит неточности (ошибки).

Вероятности перехода показаны на схеме визуально в процентах красным шрифтом (это сделано вручную – в Business Studio нет возможности визуализировать вероятность перехода на схеме).

Стоимость рабочего времени участников процесса задана в модели. Менеджер получает 150 рублей в час, Начальник отдела продаж – 200 рублей в час и т.п.

Другие показатели затрат (например, амортизация оборудования или затраты на аренду офиса) не заданы, т.к. не влияют на результаты игры. Нагрузка на процесс задана в параметрах стартового события - всего в месяц может запускаться 21 экземпляр процесса (т.е. должно быть подготовлено двадцать одно коммерческое предложение).

Данное количество выбрано постоянным, чтобы обеспечить одинаковые исходные условия для всех групп, участвующих в игре. На рис. 2 показан фрагмент пошаговой имитации процесса в Business Studio.

Пошаговая имитация используется для демонстрации понятия потока работ (Work Flow) и понятия «экземпляр» процесса.

Рис. 2. Фрагмент пошаговой имитации процесса в Business Studio.

После пошаговой имитации, запускается имитация на интервале 1 календарный месяц.

По итогам одной из имитаций процесса получены следующие значения его показателей (они варьируются для разных имитаций, но это не критично для целей проведения игры):

  1. средняя длительность процесса формирования коммерческого предложения – 9 дней 5 часов 24 минуты;
  2. средняя стоимость подготовки коммерческого предложения - 3203,18 рублей.

Очевидно, что при такой длительности клиент просто может не дождаться подготовки запрашиваемого коммерческого предложения.

3. Анализ процесса и формулирование предложений

Все команды (включая команду экспертов) анализируют процесс и заполняют форму перечня предложений. Во время анализа можно рисовать фломастерами на схеме А2, делать пометки, записи и проч.

Каждое предложение по изменению процесса должно быть обосновано, т.е. должна быть аргументирована возможность его практической реализации, определены необходимые условия, ресурсы и методы, оценены риски.

Если предложения касаются автоматизации, то желательно оценить возможный бюджет и сделать оценку «затраты/эффективность».

Фото с деловой игры.

Фото с деловой игры.

4. Оценка предложений

Команда экспертов получает от других команд и оценивает предложения по оптимизации процессов с точки зрения практической реализуемости. Например, полное устранение из процесса руководителей и выполняемых ими операций промежуточного контроля невозможно для организации с жесткой функционально-иерархической структурой и репрессивным стилем менеджмента.

Одновременно другие команды готовятся к «защите» своих предложений, выбирая ярких докладчиков и готовя наглядные пособия (цветные плакаты типа «Ударим бизнес-процессами по низкой эффективности и разгильдяйству»).

5. Защита предложений

Команды представляют свои предложения по оптимизации процесса (3-5 минут). Представили команды экспертов дают аргументированную оценку предложениям. Затем группы могут потратить некоторое время на дискуссию. Ведущий игры расставляет необходимые акценты, выполняя модерацию по ходу игры. По результатам обсуждения команда экспертов оставляет только те предложения по изменению процессов, которые, по их мнению, могут быть практически реализованы.

6. Изменение модели процесса и выполнение имитации

Ведущим игры вносятся изменения в модели процессов. Это, кстати, хорошая возможность ознакомить участников с методами описания процессов в среде Business Studio. Проводится имитация измененных моделей бизнес-процессов. Определяются показатели процессов Команды «А» и Команды «Б». Определяется победитель. Совместно обсуждаются итоги игры.

Примеры результатов выполнения игры

Приведу пример результатов изменения процесса двумя группами, участвовавшими в игре. Одну группу можно условно назвать «Сдержанной», а другую «Радикальной». Предложения «Сдержанной» группы по изменению процесса вполне реализуемы в жесткой командно-административной структуре без заметных материальных затрат. Они предложили использовать формализованную заявку, убрать операции постановки задачи специалистам, убрать операцию подписания КП Коммерческим директором.

Рис. 3. Процесс после изменений, предложенных «Сдержанной» группой.

По результатам имитации оптимизированного процесса получены следующие данные:

  1. средняя длительность процесса формирования коммерческого предложения – 2 дня 12 часов 48 минут;
  2. средняя стоимость подготовки коммерческого предложения - 1361,25 рублей.

Видно, что достигнуто заметное улучшение показателей бизнес-процесса, причем за счет довольно простых изменений. Предложения «Радикальной» группы могут быть реализованы, пожалуй, только в случае перехода на «бирюзовые» методы организации бизнеса и при тотальной автоматизации процесса, которая стоит заметных денег.

Кроме того, компания должна быть достаточно проактивной, т.е. не пытаться подстроиться под всех клиентов, а выпускать только стандартный продукт (в данном случае я не хотел бы обсуждать корректность или некорректность этих тезисов – они были предложены группой).

Схема процесса, полученная после «внедрения» изменений, предложенных «Радикальной» группой, представлена на рис. 4.

Рис. 4. Процесс после изменений, предложенных «Радикальной» группой.

По результатам имитации этого процесса получены следующие данные:

  1. средняя длительность процесса формирования коммерческого предложения – 38 минут;
  2. средняя стоимость подготовки коммерческого предложения - 47,98 рублей.

Таким образом, достигнуты следующие изменения после «оптимизации» процесса «Формирование КП клиенту»:

  1. по длительности процесс улучшен в 350 раз;
  2. по стоимости подготовки КП процесс улучшен в 67 раз.

Выводы

Вниманию читателя представлен сценарий деловой игры и примеры моделей процессов, полученные при ее проведении.

С использованием Business Studio можно создавать и использовать для учебных целей любые сложные модели сквозных процессов.

Очень важно, что по итогам проведения игры у ее участников появляются желание и базовые практические навыки, необходимые для описания, анализа и оптимизации процессов организации.

Кстати, при желании, можно организовать и провести такую деловую игру в вашей компании. Ее длительность около 4 часов.

Буду рад сотрудничеству.

В.В. Репин, к.т.н., доцент, консультант по управлению, тренер, Генеральный директор ООО «Владимир Репин Менеджмент»

Апрель 2018 г.